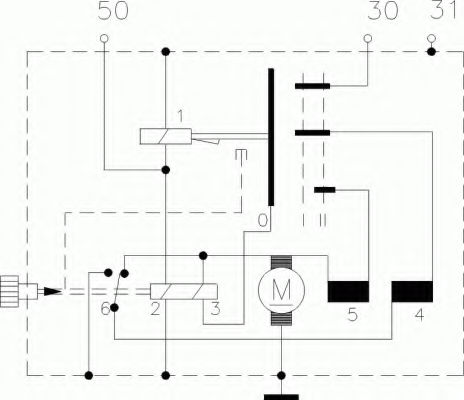
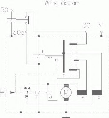
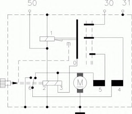
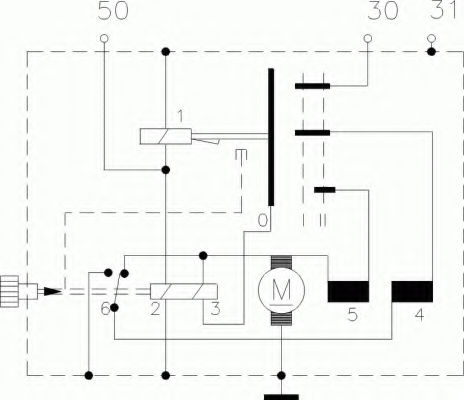
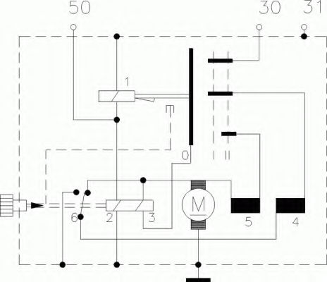
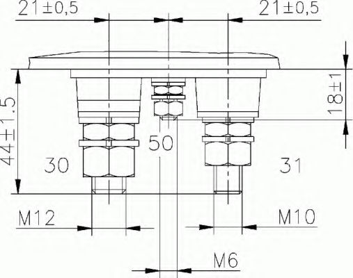
EMOTOR
EM81262036019
Якорь стартера 255мм /2004005023/ E
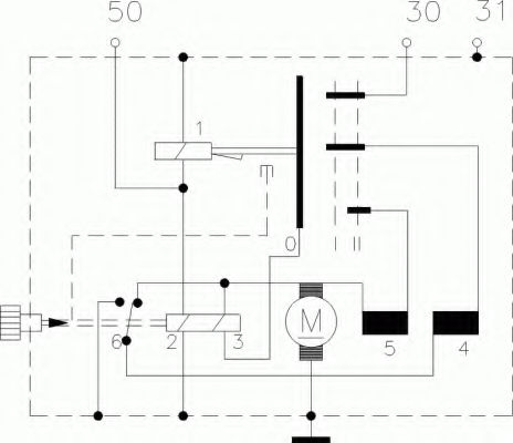
EMOTOR
EM81262036019
Характеристики
Якорь стартера 255мм /2004005023/ E
| Фото | Бренд | Номер | Описание |
|---|
| Модель | Год выпуска | Код двигателя | Кузов | V см3 | кВт | л.с. | Вид топлива | Тип привода |
|---|



















































































































































































































































































































































































































































